GCK 低压抽出式开关柜

GCK 低压抽出式开关柜

GCK低压抽出式开关柜广泛适用于发电厂、冶金轧钢、石油化工、轻工纺织、港口码头、大楼宾馆等场所作为交流三相四线或五线制、电压380V、660V, 频率为50Hz、额定电流为5000A及以下的供电系统中的配电和电动机集中控制之用。

联系我们 返回列表
GCK 低压抽出式开关柜
  • GCK 低压抽出式开关柜
  • 产品参数

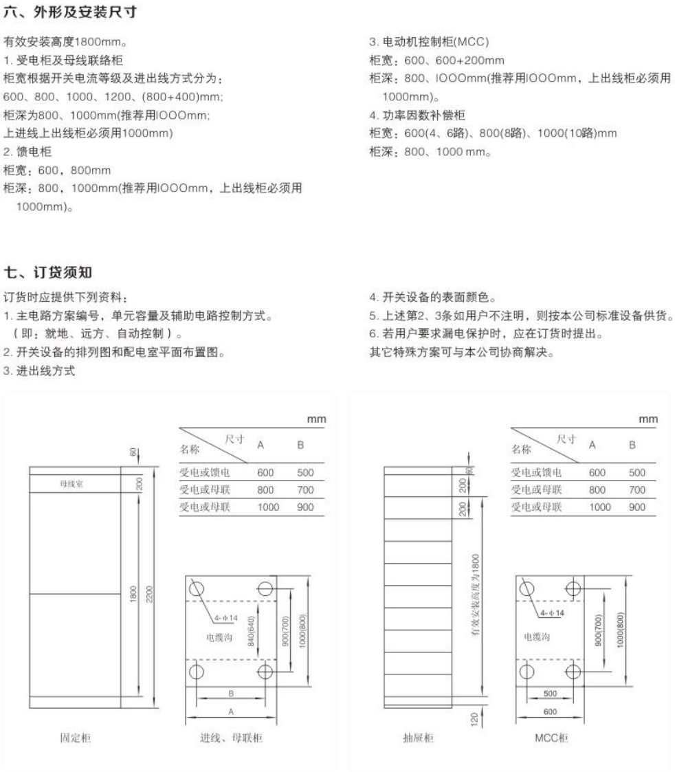
1.jpg

2.jpg

3.jpg

浙江迅博电力科技有限公司

13868765532

(联系电话 7×24)